WhatsApp:
+86-15637962277
 Email:gwdlcom@gmail.com  |  sales@gwdl.com  Telephone/WhatsApp:+86-15637962277

GWDL-1300 Degree Single Tube Horizontal Purification Furnace

I. Main Function 


For the periodic high-temperature purification and sintering of silica powder. 


II. Key Structures 


Heating tube system: 

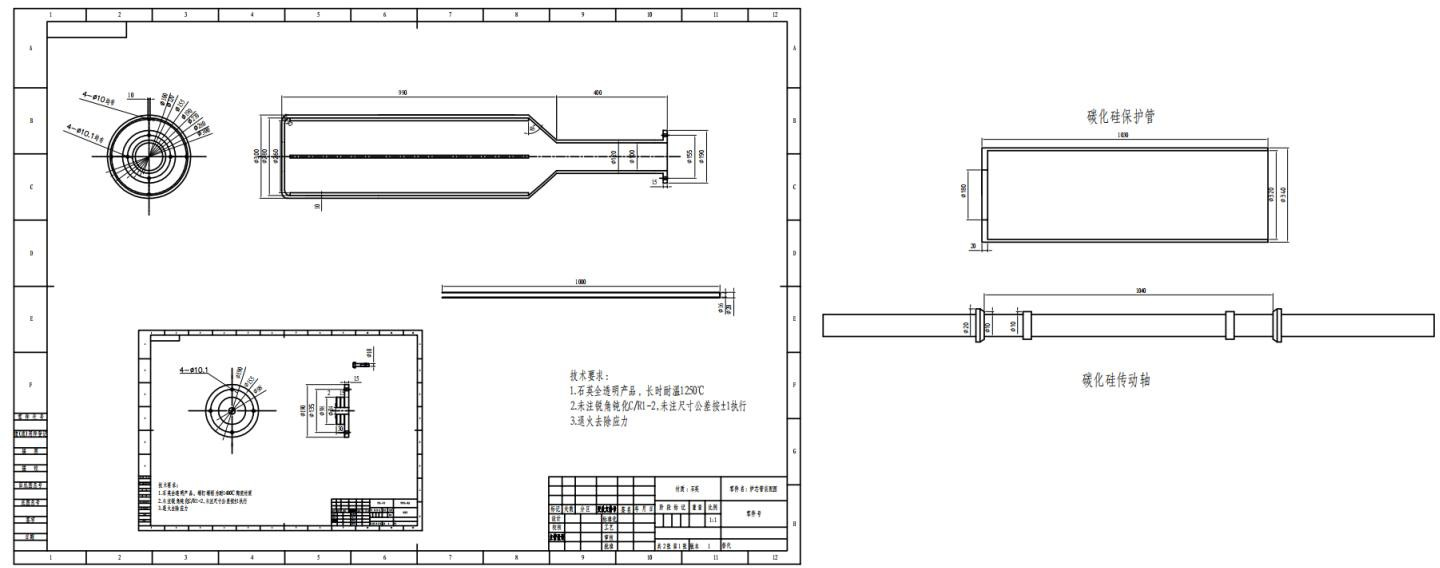
Outer layer: Quartz tube (outer diameter 300mm, length 1500mm). 

Inner lining: Silicon carbide/Silicon nitride composite tube, to prevent the quartz tube from softening under high temperature. 

Carrying capacity: The transmission mechanism can handle a load of 80 - 100 kilograms. 

Transmission method: 

The furnace tube rotates under the drive of two active silicon carbide rollers. 

Equipped with a variable-frequency motor, with a rotational speed of 1 - 5 r/min, capable of forward and reverse rotation. 

Furnace body and furnace door: 

The furnace shell is resistant to high temperatures and does not deform. The surface temperature is ≤ 45℃. 

The flip-up furnace door makes it convenient to remove and install the quartz tubes, and it has a good sealing performance. 

Install an observation mirror to monitor the rotational state inside the furnace. 


III. Thermal Insulation and Materials 


Lining: Vacuum-molded high-purity alumina lightweight material. Hollow spherical alumina plates are used for vulnerable areas. 

Insulation layer: Three-layer structure (silica-alumina fiber board + alumina fiber board + alumina polycrystalline fiber board), with remarkable energy-saving effect. 

The inner wall of the furnace: coated with 2 layers of silicon carbide coating. 

IV. Gases and Safety Control 

Flow control: Intake flow rate 1 - 30 L/min, equipped with a flow meter. 

Safety Protection: 

Pressure protection, preventing blockage and overpressure. 

Gas leakage alarm system. 

The end gas tightness test of the furnace tubes is conducted, and a ventilation hood is also installed. 

Pipeline fixation: The iron frame outside the furnace is used to fix the gas pipeline. 


V. Control System 


It can store up to 5 process curves, each with ≥ 30 temperature settings, and supports online editing. 

It has safety functions such as PID regulation, thermocouple failure alarm, and over-temperature alarm. 


VI. Key Features 


Double-layer pipe design (silicon carbide + silicon) to prevent deformation. 

Active roller drive, with large load capacity and adjustable rotational speed. 

Three-layer high-efficiency insulation, with low surface temperature. 

Full closed-loop gas path safety control. 

Multiple programmable temperature control.


Send Message
Related Products